Usd
  • USD
  • EUR
  • USD
0
$0.00

Sākums Veikals Preces informācija

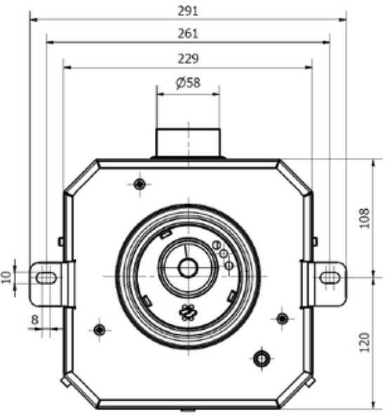
Venma Comfort S granulu degliskomplektā ar granulu padevēju un vadības bloku

Comfort S sērijas degļi ir modernas un attīstītas ierīces biomasas dedzināšanai koksnes granulu veidā. Šiem degļiem ir rotējoša sadegšanas kamera, kuras pozīcijas maiņa degļa darbības laikā attīra krāsni no izdedžiem un pelniem, kas radušies degvielas sadegšanas rezultātā.

Jauda:
Krāsa:

€1650.00 €1650.00

  • Kategorijas: Granulu degļi komplektā ar granulu padevēju un vadības bloku

Comfort S sērijas degļi ir modernas un attīstītas ierīces biomasas dedzināšanai koksnes granulu veidā. Šiem degļiem ir rotējoša sadegšanas kamera, kuras pozīcijas maiņa degļa darbības laikā attīra krāsni no izdedžiem un pelniem, kas radušies degvielas sadegšanas rezultātā. Aizdedzināšana sastāv no sākotnējās degvielas devas uzlādes un uguns iekuršanas, uzkarsējot degvielu līdz aizdegšanās temperatūrai, izmantojot deglī ievietotu aizdedzinātāju. Degšanu un dzēšanu kontrolē kontrolieris. Deglis tiek tīrīts ar sadegšanas kameras ciklisku rotāciju.

NOVĀCIJAI Grozāma galva, Augsta sadegšanas efektivitāte – līdz 95%, Patentēta pavarda skābekļa sistēma, Samazināta degļa pārkaršanas iespēja, Krāsns tīrīšana degļa darbības laikā, Vienmērīga degvielas un skābekļa dozēšana, Automātiska iedarbināšana pēc strāvas padeves pārtraukuma. UZTICAMĪBA Aizdedzināšana, apkope, dzēšana un tīrīšana – pilnībā automātiska darbība, Izgatavots no augstākās kvalitātes karstumizturīga tērauda, Izturīgas sastāvdaļas ilgstošai darbībai, Samazināta pretliesmas iespējamība, Degļa aizsardzība ar liesmas un temperatūras sensoriem, Pozitīva spiediena sadegšanas sistēma. EFEKTIVITĀTE Ātra aizdedzināšanas sistēma, Energoefektīvas sastāvdaļas, Ļoti viegli uzstādīt, Visas sastāvdaļas ir savstarpēji aizvietojamas. IEKĻAUTS Venma Comfort S deglis Venma ST-976 G kontrolieris, 2 m cinkots padevējs, 1 m nolaižamā caurule, Keramikas blīve, Montāžas atloks (pēc izvēles). kontrolieris, kuru varat izvēlēties ST-976G + grafiskais displejs, ST-976G + skārienpanelis K01, ST-976G + skārienpanelis S01. Papildu opcijas Telpas kontrolieris, Montāžas atloks, Padevēja pagarinājums līdz 10 m.